Product Summary
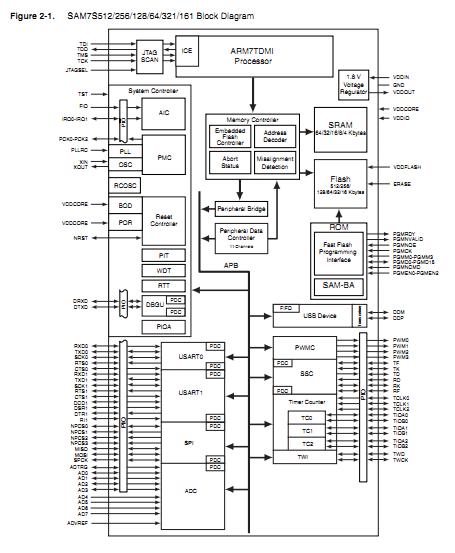
The AT91SAM7S256C-AU is a low pincount Flash microcontroller based on the 32-bit ARM RISC processor. It features a high-speed Flash and an SRAM, a large set of peripherals, including a USB 2.0 device, and a complete set of system functions minimizing the number of external components. The AT91SAM7S256C-AU is an ideal migration path for 8-bit microcontroller users looking for additional performance and extended memory.
Parametrics
AT91SAM7S256C-AU absolute maximum ratings: (1)Program Memory Size: 256KB (256K x 8); (2)RAM Size: 64K x 8; (3)Number of I /O: 32; (4)Package / Case: 64-LQFP; (5)Speed: 55MHz; (6)Core Size: 16/32-Bit; (7)Operating Temperature: -40 to 85℃; (8)Voltage - Supply (Vcc/Vdd): 1.65 V to 1.95 V; (9)Lead Free Status: Lead Free; (10)RoHS Status: RoHS Compliant.
Features
AT91SAM7S256C-AU features: (1)High-performance 32-bit RISC Architecture; (2)High-density 16-bit Instruction Set; (3)Leader in MIPS/Watt; (4)EmbeddedICE In-circuit Emulation, Debug Communication Channel Support; (5)Memory Controller (MC): Embedded Flash Controller, Abort Status and Misalignment Detection; (6)Reset Controller (RSTC): Based on Power-on Reset and Low-power Factory-calibrated Brown-out Detector; Provides External Reset Signal Shaping and Reset Source Status; (7)Clock Generator (CKGR): Low-power RC Oscillator, 3 to 20 MHz On-chip Oscillator and one PLL; Power Management Controller (PMC); (8)– Software Power Optimization Capabilities, Including Slow Clock Mode (Down to 500 Hz) and Idle Mode; Three Programmable External Clock Signals; (9)Advanced Interrupt Controller (AIC): Individually Maskable, Eight-level Priority, Vectored Interrupt Sources.
Diagrams

| Image | Part No | Mfg | Description | ![]() |
Pricing (USD) |
Quantity | ||||||||||||
|---|---|---|---|---|---|---|---|---|---|---|---|---|---|---|---|---|---|---|
![]() |
![]() AT91SAM7S256C-AU |
![]() Atmel |
![]() ARM Microcontrollers (MCU) 256K Flash SRAM 64K ARM based MCU |
![]() Data Sheet |
![]()
|
|
||||||||||||
![]() |
![]() AT91SAM7S256C-AU-999 |
![]() Atmel |
![]() ARM Microcontrollers (MCU) 256K Flash SRAM 64K ARM based MCU |
![]() Data Sheet |
![]()
|
|
||||||||||||
(China (Mainland))










