Product Summary
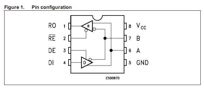
The ST485CDR is a low power transceiver for RS-485 and RS-422 communication. Each part contains one driver and one receiver. This transceiver draw 300mA (typ.) of supply current when unloaded or fully loaded with disabled drivers. It operates from a single 5V supply. The ST485CDR is designed for bi-directional data communications on multipoint bus transmission line (half-duplex applciations).
Parametrics
ST485CDR absolute maximum ratings: (1)Supply Voltage: 7 V; (2)Control Input Voltage (RE, DE): -0.5 to (VCC + 0.5) V; (3)Driver Input Voltage (DI): -0.5 to (VCC + 0.5) V; (4)Driver Output Voltage (A, B): ± 14 V; (5)Receiver Input Voltage (A, B): ± 14 V; (6)Receiver Output Voltage (RO): -0.5 to (VCC + 0.5) V.
Features
ST485CDR features: (1)Low quiescent current: 300mA; (2)Designed for RS-485 interface application; (3)-7V to 12V common mode input voltage range; (4)Driver maintains high impedance in 3-state or with the power OFF; (5)70mV tipycal input hysteresis; (6)30ns propagation delay, 5ns skew; (7)Operate from a single 5V supply; (8)Current limiting and thermal shutdown for driver overload protection; (9)Allows up to 64 transceivers on the bus.
Diagrams

| Image | Part No | Mfg | Description | ![]() |
Pricing (USD) |
Quantity | ||||||||||||
|---|---|---|---|---|---|---|---|---|---|---|---|---|---|---|---|---|---|---|
![]() |
![]() ST485CDR |
![]() STMicroelectronics |
![]() Buffers & Line Drivers Hi-Spd Lo Pwr Trans |
![]() Data Sheet |
![]()
|
|
||||||||||||
| Image | Part No | Mfg | Description | ![]() |
Pricing (USD) |
Quantity | ||||||||||||
![]() |
![]() ST483612LG |
![]() Hammond Manufacturing |
![]() Enclosures, Boxes, & Cases |
![]() Data Sheet |
![]() Negotiable |
|
||||||||||||
![]() |
![]() ST483616LG |
![]() Hammond Manufacturing |
![]() Enclosures, Boxes, & Cases |
![]() Data Sheet |
![]() Negotiable |
|
||||||||||||
![]() |
![]() ST483616SS |
![]() Hammond Manufacturing |
![]() Enclosures, Boxes, & Cases |
![]() Data Sheet |
![]() Negotiable |
|
||||||||||||
![]() |
![]() ST485A |
![]() Other |
![]() |
![]() Data Sheet |
![]() Negotiable |
|
||||||||||||
![]() |
![]() ST485ABDR |
![]() STMicroelectronics |
![]() Buffers & Line Drivers Hi-Spd Lo Pwr Trans |
![]() Data Sheet |
![]()
|
|
||||||||||||
![]() |
![]() ST485ACDR |
![]() STMicroelectronics |
![]() Buffers & Line Drivers Hi-Spd Lo Pwr Trans |
![]() Data Sheet |
![]() Negotiable |
|
||||||||||||
(China (Mainland))










